网优二手网网优二手网网优二手网
搜索

网优首页 > 二手设备 > 二手化工设备供求 > 二手混合设备供应

  • 二手混合设备出售
  • 二手混合设备回收
  • 二手混合设备价格
图片 3

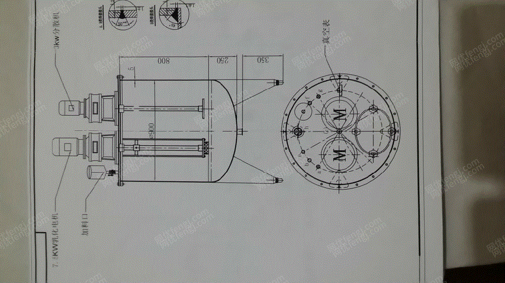
出售不锈钢乳化搅拌设备

  • 产品/品种:二手混合设备
  • 规格型号:1000L
  • 数  量:1套
  • 地  区:湖北武汉
  • 价  格:26000元
  • 发布时间:2015-10-11
  • 有效期至:2016-10-10
温馨提示: 平台信息来源于网络或由用户自行发布,网优平台对信息的真实性、有效性不承担任何责任。请您务必在购买商品前当面查验交易方资质及身份信息,建议您在验货及签署买卖合同后再进行交易,谨防交易风险。
快速留言

想了解以下问题:

我想问其他问题:

留言

还没找到您需要的二手混合设备?立即发布您的求购意向,让二手混合设备企业主动联系!
立即发布求购意向

免责声明

以上展示的信息由会员自行提供,内容的真实性,准确性和合法性由发布会员负责,网优fengj.com对此不承担任何责任.为规避买卖风险,建议您在购买相关产品前务必确认供应商资质和产品质量.

图片(3)
在线咨询
关于网优fengj.com | 付款方式 | 400客服:400 622 1112 |  热线:0799-6666660